FPS-CS 3100 mm ZFS 71.1 T

  • Model
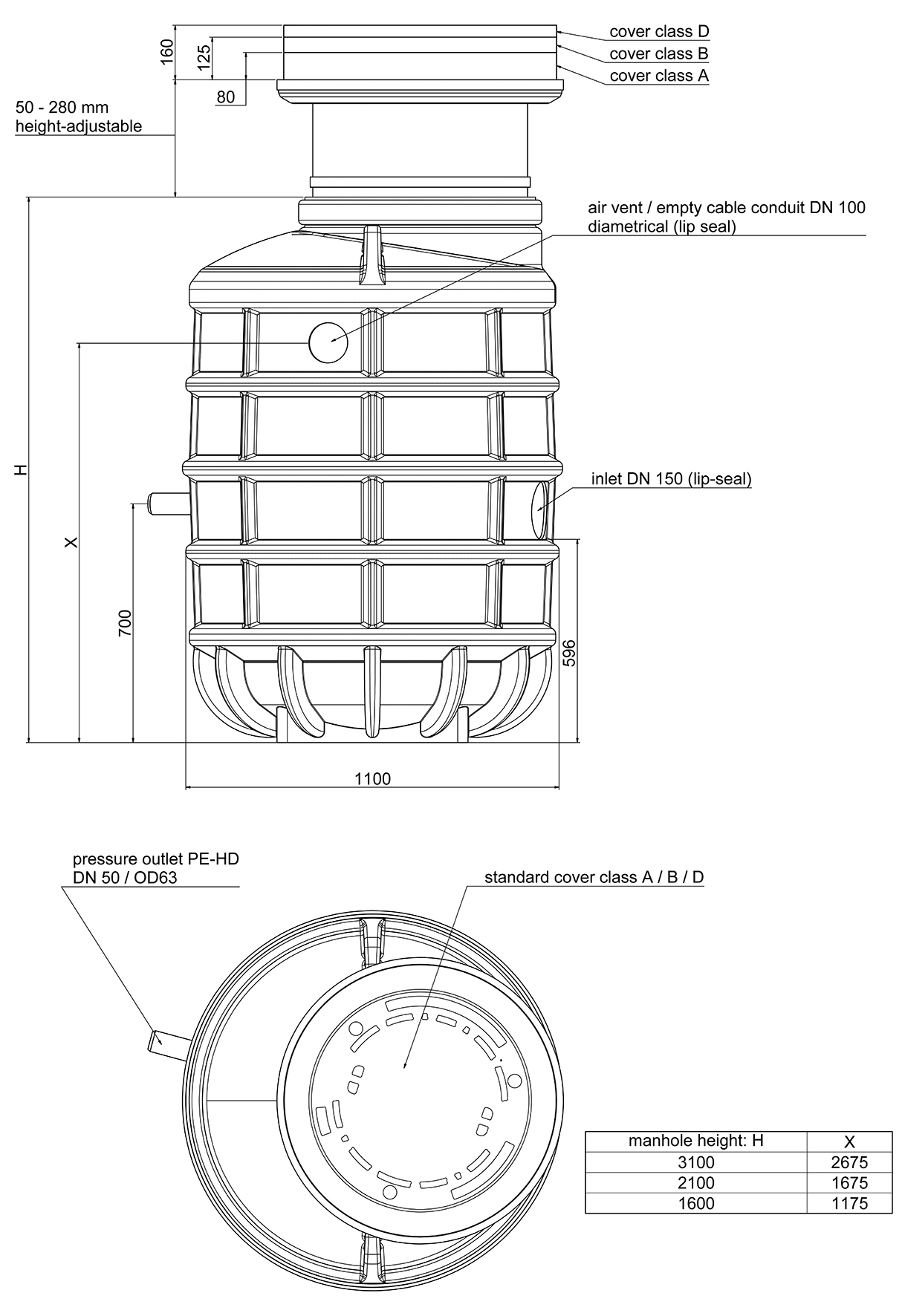
    • packaged pumping station made of corrosion-resistant PE-LLD
    • buoyancy-proof up to ground water level of max. 1,2 m from manhole's lower edge
    • installation of one pump of the series ZFS 71, ZPG 50, ZPG 71
    • stainless steel piping DN 50, pre-assembled with coupling system
    • non-return valve, gate valve and flushing connection 1"
    • pressure outlet PE-HD 63 x 5.8 – outside the manhole
    • 1 x inlet DN 150, further inlets optional
    • 2x connection DN 100 for cable gland and air vent
    Application
    • pumping of sewage from single-family houses
    • as drainage pumping station
    • for pressure drainage
    • for installation outside buildings
    • also drivable with manhole covers class B and D
    Scope of delivery
    • pumping station with pressure pipes and valves
    • ZFS 71 series - grinder pump (except Art.no. 14483)
    • BEGU manhole cover class A-D optional (see accessories)
    • control unit ZPS for pumping station (ZPG 50 WA with float switch)
  • Article number
    21369
    Power supply
    400 V
    Frequency
    50 Hz
    Power P1
    2.100 W
    Power P2
    1.700 W
    Nominal current
    3,7 A
    Drive
    2800 rpm
    Max. temperature
    40 °C
    Max. flow rate
    17,0 m³/h
    Head up to
    22,0 m
    Width
    1100 mm
    Diameter
    1100 mm
    Length
    1100 mm
    features
    with pneumatic pump control for single pumps
  • Characteristic - FPS-CS 3100 mm ZFS 71.1 T
  • Dimensions - FPS-CS 3100 mm ZFS 71.1 T
  • manual_zp_fpsk_de.pdf#manual_zp_fpsk_cs-cz.pdf#manual_zp_fpsk_en.pdf#21369_de.pdf#21369_en.pdf#21369_cz.pdf#21369_fr.pdf#21369_pl.pdf#21369_es.pdf#21369_pt.pdfBetriebsanleitung#Návod k obsluze#Manual#Datenblatt#Data sheet#Datový list#fiche technique#Karta danych produktu#ficha técnica#-----enArray
    (
        [0] => en_GB.utf8
        [1] => en_GB.UTF-8
        [2] => en_GB
        [3] => eng_GB
        [4] => en
        [5] => english
        [6] => english-uk
        [7] => uk
        [8] => gbr
        [9] => britain
        [10] => england
        [11] => greatbritain
        [12] => uk
        [13] => unitedkingdom
        [14] => united-kingdom
    )
    
    1. Data sheet
    2. Manual

Zehnder - ready to go

For this reason sanitary wholesalers, pump-specialist shops and installers admire us:

At Zehnder Pumps you will get all pump systems and stations delivered as a complete package including the entire accessories. Quick and easy installed, a Zehnder one works reliable and quite for many years.
What else could you ask for?

Pumps for house and garden

Floodings, cellars filled with water, wells full of useful water, silted garden ponds?

Zehnder products from the area of house and garden such as submersible waste water pumps, deep-well pumps, garden pumps or rainwater utilisation systems can be found in specialist shops. Talk to your installer, home automation wholesaler or pump-specialist trader or contact our sales department at info@zehnder-pumpen.de or call +49 (0)3774/52-100.

Order catalogue

Our printed catalogues, price lists and brochures can be ordered here for free. Thus you can get a better overview about our frequently proved product range.

Please note, all printed forms are also available in the download center.
eurologo
Powered by PIMBase - Concept & Design by Plan-Ad GmbH
Imprint and Privacy Police © Zehnder Pumpen GmbH 2018

We use cookies on our website. Some of them are essential for the operation of the site, while others help us to improve this site and the user experience (tracking cookies). You can decide for yourself whether you want to allow cookies or not. Please note that if you reject them, you may not be able to use all the functionalities of the site.