Kompaktboy Duplex 3,0 D 2-P

  • Model
    • polyethylene container with 150 litres capacity and up to 80 litres switching volume
    • vortex pumps with high efficiency and low operation noise
    • mechanical seal and shaft seal with intermediate oil chamber
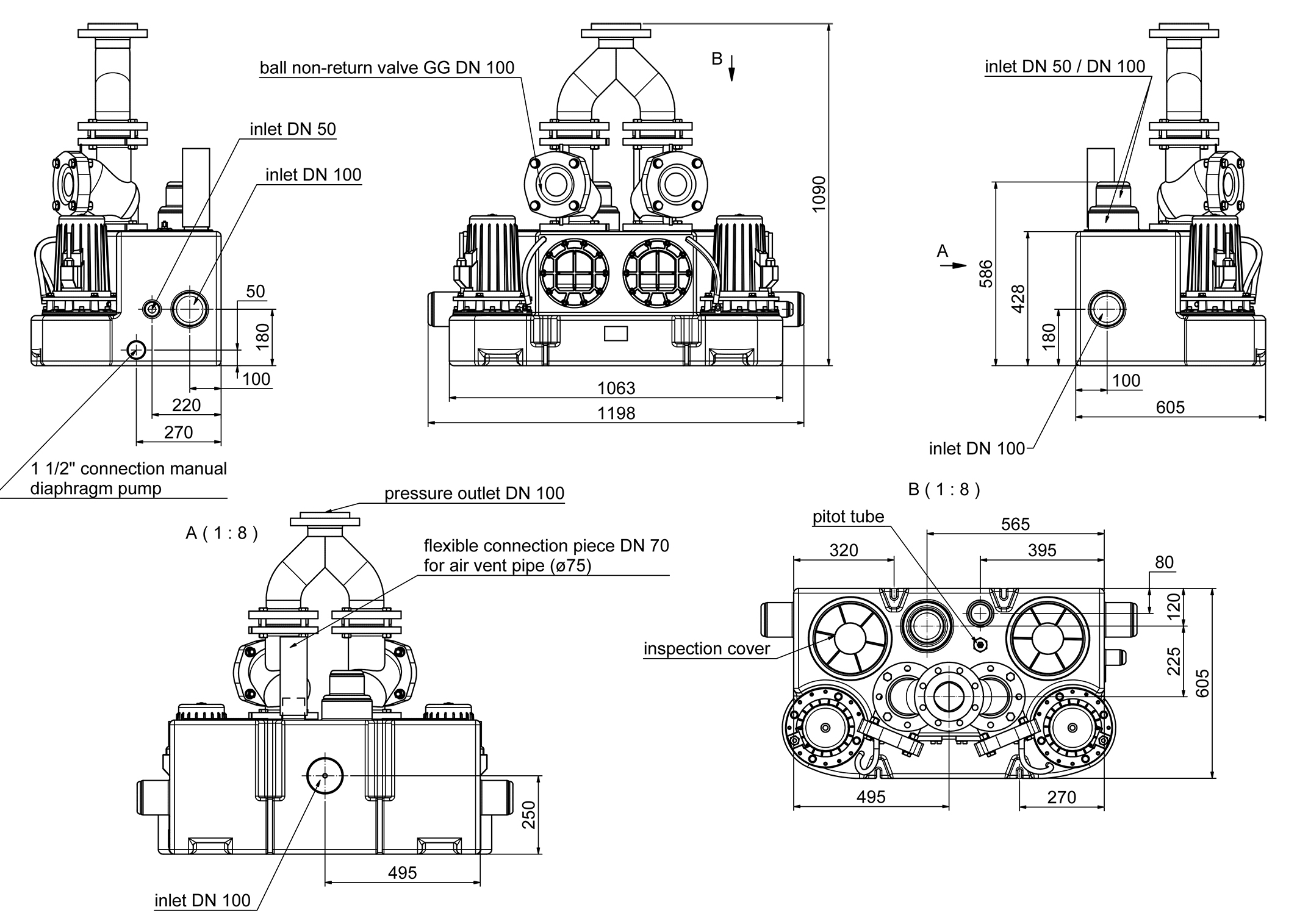
    • inlets: 2 x lateral DN 100, 1 x lateral DN 50, 1 x back DN 100 and 1 x top DN 50/100
    • additional connections 1 ½“ for manual diaphragm pump
    • air vent DN 70 (Ø 75mm)
    • operation temperature max. 55°C
    • operating mode S3 - 25%
    • protection grade IP 68 - fully submersible
    Application
    • removal of domestic sewage out of single- or multi family houses
    • in public institutions, where the disposal of sewage must not be interrupted
    • above-ground installation in rooms protected from frost below the backwash level
    Scope of delivery
    • pre-assembled lifting unit with 3,5 m connection cable to the motor and 3,5 m pneumatic tube to the control with integrated non-return valves DN 100 (Kompaktboy Duplex 3,0-2P with external cast iron non-return valves)
    • Y-pipe DN 100/100/100
    • connection flange piece DN 100 for pressure pipe (DN 80 optional)
    • flexible connection with tension clamps for pressure pipe and ventilation pipe
    • incl. ZPS2: comfortable, pneumatic level control with microcontroller, LCD plain text display for filling level, maintenance, operating hours, fault message and alarm signal in switchbox for indoor installation
  • Article number
    17560
    Power supply
    400 V
    Frequency
    50 Hz
    Power P1
    3.800 W
    Power P2
    3.000 W
    Nominal current
    6,2 A
    Drive
    2800 rpm
    Max. temperature
    55 °C
    Max. flow rate
    35,0 m³/h
    Head up to
    15,0 m
    Free passage
    50 mm
    P-dimensions (WxHxL)
    780 mm x 1070 mm x 1180 mm
    features
    with pneumatic pump control for double pumping units
  • Characteristic - Kompaktboy Duplex 3,0 D 2-P
  • Dimensions - Kompaktboy Duplex 3,0 D 2-P
  • 17560_en.pdf#17560_Kompaktboy_Doppel_3.0D_400V.pdf#3d_zp_kompaktboydoppel3kw_de.pdf#17560_cz.pdf#17560_pl.pdf#17560_es.pdf#17560_fr.pdf#Hebeanlagen_ZehnderPumpen_de.pdf#17560_pt.pdf#manual_zp_kompaktboy_nl.pdf#17560_de.pdf#manual_zp_kompaktboy_doppel_fr.pdf#manual_zp_kompaktboy_doppel_en.pdf#manual_zp_kompaktboy_doppel_de.pdf#manual_zp_kompaktboy_cs-cz.pdfData sheet#3D PDF#3D PDF (Adobe Acrobat Reader benötigt)#Datový list#karta danych produktu#Ficha técnica#fiche technique#Broschüre Hebeanlagen#ficha de dados##Datenblatt##Manual#Bedienungsanleitung#Návod k obsluze-----enArray
    (
        [0] => en_GB.utf8
        [1] => en_GB.UTF-8
        [2] => en_GB
        [3] => eng_GB
        [4] => en
        [5] => english
        [6] => english-uk
        [7] => uk
        [8] => gbr
        [9] => britain
        [10] => england
        [11] => greatbritain
        [12] => uk
        [13] => unitedkingdom
        [14] => united-kingdom
    )
    
    1. Data sheet
    2. Manual

Zehnder - ready to go

For this reason sanitary wholesalers, pump-specialist shops and installers admire us:

At Zehnder Pumps you will get all pump systems and stations delivered as a complete package including the entire accessories. Quick and easy installed, a Zehnder one works reliable and quite for many years.
What else could you ask for?

Pumps for house and garden

Floodings, cellars filled with water, wells full of useful water, silted garden ponds?

Zehnder products from the area of house and garden such as submersible waste water pumps, deep-well pumps, garden pumps or rainwater utilisation systems can be found in specialist shops. Talk to your installer, home automation wholesaler or pump-specialist trader or contact our sales department at info@zehnder-pumpen.de or call +49 (0)3774/52-100.

Order catalogue

Our printed catalogues, price lists and brochures can be ordered here for free. Thus you can get a better overview about our frequently proved product range.

Please note, all printed forms are also available in the download center.
eurologo
Powered by PIMBase - Concept & Design by Plan-Ad GmbH
Imprint and Privacy Police © Zehnder Pumpen GmbH 2018

We use cookies on our website. Some of them are essential for the operation of the site, while others help us to improve this site and the user experience (tracking cookies). You can decide for yourself whether you want to allow cookies or not. Please note that if you reject them, you may not be able to use all the functionalities of the site.