Kompaktboy Duplex SE 71.3 D

  • Model
    • polyethylene container with 150 litres capacity and up to 80 litres switching volume
    • two built-up grinder pumps with robust, adjustable cutting system made of corrosion-resistant special alloy
    • two mechanical seals with intermediate oil chamber
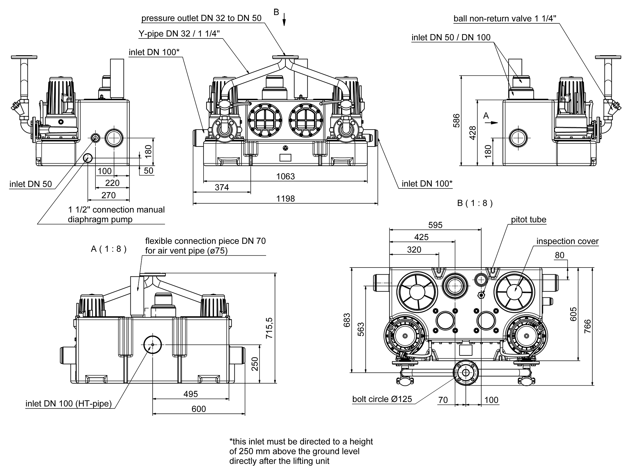
    • pressure outlet flange DN 50 with flanged connecting bend and non-return ball valve 1 1/4" FPT
    • inlets: 3 x lateral DN 100 and 1 x top DN 100/150
    • additional connections 1 ½“ for manual diaphragm pump
    • air vent DN 70 (Ø 75mm)
    • operation temperature max. 55°C
    • operating mode S3 - 25%
    • protection grade IP 68 - fully submersible
    Application
    • pumping of domestic sewage from single-family houses and apartment buildings for greater heads or long pressure pipes
    • above-ground installation in frost-free rooms below the backflow level
    Scope of delivery
    • pre-assembled lifting unit with 3,5 m connection cable to the motor and 3,5 m pneumatic tube to the control
    • 2 x 90° pump connecting bend DN 50
    • 2 x non-return ball valve 1 1/4" FPT
    • stainless steel Y-pipe DN 50/50/50 with pressure outlet flange DN 50
    • flexible connection with tension clamps for ventilation pipe
    • incl. ZPS2: comfortable, pneumatic level control with microcontroller, LCD plain text display for filling level, maintenance, operating hours, fault message and alarm signal in switchbox for indoor installation
  • Article number
    17752
    Power supply
    400 V
    Frequency
    50 Hz
    Power P1
    3.900 W
    Power P2
    3.200 W
    Nominal current
    6,5 A
    Drive
    2800 rpm
    Max. flow rate
    17,0 m³/h
    Head up to
    35,0 m
    P-dimensions (WxHxL)
    780 mm x 1070 mm x 1180 mm
  • Characteristic - Kompaktboy Duplex SE 71.3 D
  • Dimensions - Kompaktboy Duplex SE 71.3 D
  • 17752_de.pdf#17752_en.pdf#17752_cz.pdf#17752_pl.pdf#17752_es.pdf#17752_fr.pdf#Hebeanlagen_ZehnderPumpen_de.pdf#17752_pt.pdf#manual_zp_kompaktboyse71_1303_cs-cz.pdf#manual_zp_kompaktboy_se71_de.pdf#manual_zp_kompaktboy_se71_en.pdf#manual_zp_kompaktboyse71_nl.pdfDatenblatt#Data sheet#Datový list#karta danych produktu#Ficha técnica#fiche technique#Broschüre Hebeanlagen#ficha de dados#Návod k obsluze#Betriebsanleitung#Manual#-----enArray
    (
        [0] => en_GB.utf8
        [1] => en_GB.UTF-8
        [2] => en_GB
        [3] => eng_GB
        [4] => en
        [5] => english
        [6] => english-uk
        [7] => uk
        [8] => gbr
        [9] => britain
        [10] => england
        [11] => greatbritain
        [12] => uk
        [13] => unitedkingdom
        [14] => united-kingdom
    )
    
    1. Data sheet
    2. Manual

Zehnder - ready to go

For this reason sanitary wholesalers, pump-specialist shops and installers admire us:

At Zehnder Pumps you will get all pump systems and stations delivered as a complete package including the entire accessories. Quick and easy installed, a Zehnder one works reliable and quite for many years.
What else could you ask for?

Pumps for house and garden

Floodings, cellars filled with water, wells full of useful water, silted garden ponds?

Zehnder products from the area of house and garden such as submersible waste water pumps, deep-well pumps, garden pumps or rainwater utilisation systems can be found in specialist shops. Talk to your installer, home automation wholesaler or pump-specialist trader or contact our sales department at info@zehnder-pumpen.de or call +49 (0)3774/52-100.

Order catalogue

Our printed catalogues, price lists and brochures can be ordered here for free. Thus you can get a better overview about our frequently proved product range.

Please note, all printed forms are also available in the download center.
eurologo
Powered by PIMBase - Concept & Design by Plan-Ad GmbH
Imprint and Privacy Police © Zehnder Pumpen GmbH 2018

We use cookies on our website. Some of them are essential for the operation of the site, while others help us to improve this site and the user experience (tracking cookies). You can decide for yourself whether you want to allow cookies or not. Please note that if you reject them, you may not be able to use all the functionalities of the site.