Kompaktboy SE 71.1 D 400 V

  • wykonanie
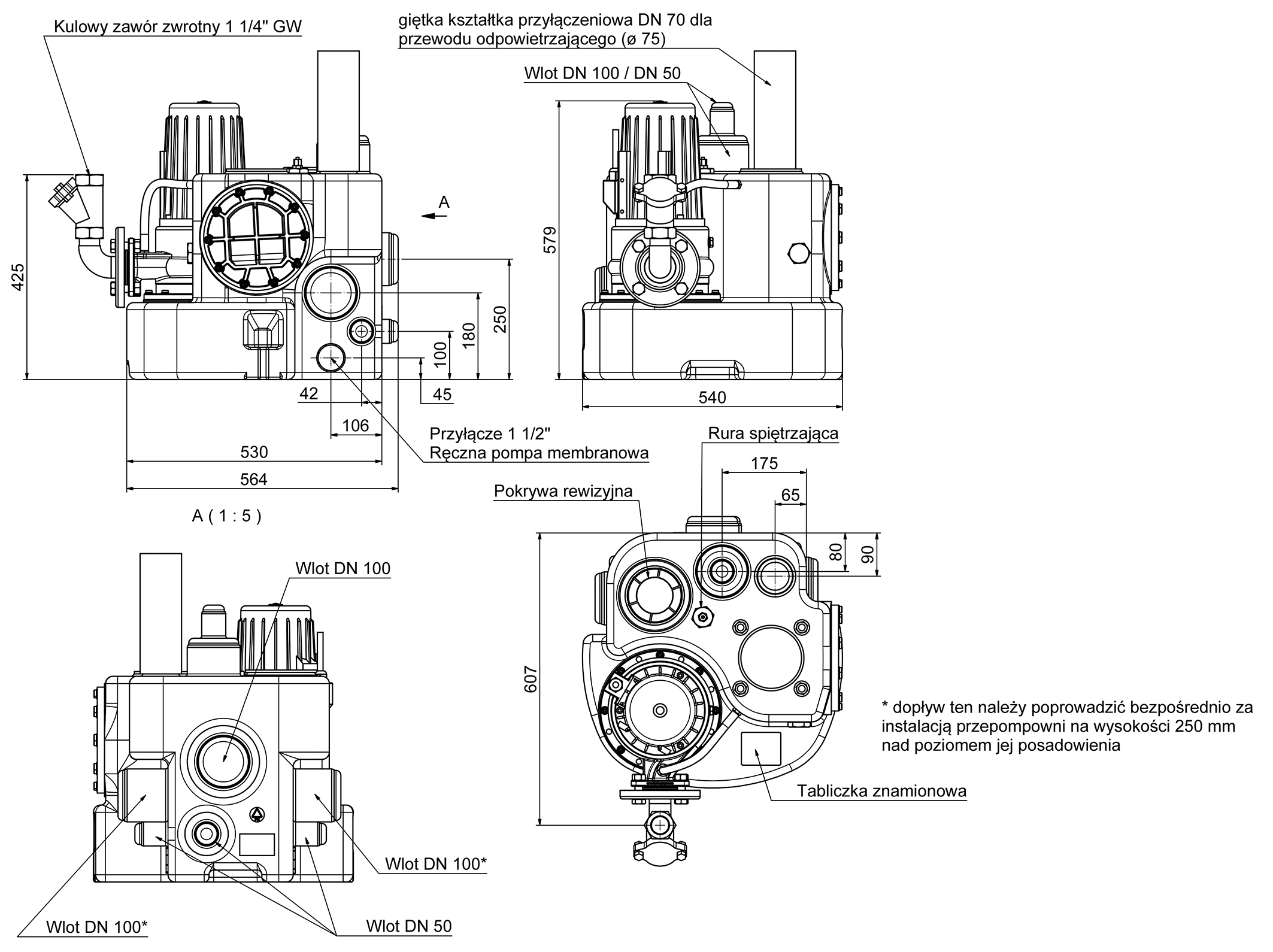
    • kołnierz odejścia ciśnieniowego DN 50 z podłączonym kołnierzem pompowym kolankiem przyłączeniowym i kulowym zaworem zwrotnym 1 1/4" gwint wewn.
    • dopływ rur HT 3 x DN 100 (boczny) i 1 x DN 50/100 (górny)
    • dodatkowe przyłącza 1 ½“ ręcznej pompy membranowej
    • odpowietrznik DN 75 (¨ 75 mm)
    • tryb pracy S3 – 25%
    • temperatura tłoczonego medium maks. 55°C
    • stopień ochrony IP 68
    obszary zastosowan
    • do usuwania ścieków z domów jednorodzinnych w przypadku większych wysokości tłoczenia lub długich przewodów tłocznych
    • do instalacji nadposadzkowej w pomieszczeniach chronionych przed mrozem poniżej poziomu cofki
    • możliwość włożenia do studzienki z pokrywą > ¨ 590 mm
    zakres dostawy
    • zmontowana na gotowo instalacja z 3,5 m kablem przyłączeniowym do silnika i 3,5 m wężem pneumatycznym do sterowania
    • pompowe kolanko przyłączeniowe DN 50, 90°
    • kulowy zawór zwrotny 1 1/4" gwint wewnętrzny
    • elastyczne połączenie za pomocą obejm przewodu odpowietrzającego
    • z ZPS1: komfortowy, pneumatyczny czujnik poziomu z mikrokontrolerem, wyświetlacz tekstowy LCD wskazujący poziom napełnienia, informacje o konserwacji, godziny pracy i komunikaty usterek oraz zasilana z sieci instalacja alarmowa w skrzynce sterowniczej przeznaczona do montażu wewnątrz pomieszczeń.
  • numer artykulu
    17472
    zasilanie
    400 V
    czestotliwosc
    50 Hz
    wydajnosc P1
    2.100 W
    wydajnosc P2
    1.700 W
    prad znamionowy
    3,7 A
    liczba obrotów
    2800 obr/min
    max. temperatura
    55 °C
    max. przeplyw
    17,0 m³/h
    max. wysokosc tloczenia
    22,0 m
    opakowanie (s x w x d)
    580 mm x 600 mm x 790 mm
  • charakterystyka - Kompaktboy SE 71.1 D  400 V
  • opakowanie - Kompaktboy SE 71.1 D  400 V
  •   nazwa produktu numer artykulu
    Membranowa pompa ręczna 1 1/2 10430
    Trójdrogowy zawór przełączający 1 1/2 10433
    Zasuwa odcinająca DEN 50 żeliwo szare 10646
    Mały buczek 230 V 12068
    Mały buczek KH 1- 12VDC 12076
    Niezależny od sieci włącznik 13001
  • 17472_de.pdf#17472_en.pdf#3d_zp_kompaktboyse71_de.pdf#17472_cz.pdf#17472_pl.pdf#17472_es.pdf#17472_fr.pdf#Hebeanlagen_ZehnderPumpen_de.pdf#17472_pt.pdf#manual_zp_kompaktboyse71_1303_cs-cz.pdf#manual_zp_kompaktboy_se71_de.pdf#manual_zp_kompaktboy_se71_en.pdf#manual_zp_kompaktboyse71_nl.pdfDatenblatt#Data sheet#3D PDF (Adobe Acrobat Reader benötigt)#Datový list#karta danych produktu#Ficha técnica#fiche technique#Broschüre Hebeanlagen#ficha de dados#Návod k obsluze#Betriebsanleitung#Manual#-----plArray
    (
        [0] => pl-PL.utf8
        [1] => pl_PL.UTF8
        [2] => pl_PL.utf8
        [3] => pl_PL.UTF-8
        [4] => pl_PL.utf-8
        [5] => polish_POLISH.UTF8
        [6] => polish_POLISH.utf8
        [7] => pl.UTF8
        [8] => polish.UTF8
        [9] => polish-pl.UTF8
        [10] => PL.UTF8
        [11] => polish.utf8
        [12] => polish-pl.utf8
        [13] => PL.utf8
        [14] => pl_PL
        [15] => polish_POLISH
        [16] => pl
        [17] => polish
        [18] => polish-pl
        [19] => PL
        [20] => poland
        [21] => Poland
        [22] => pl_PL.ISO8859-2
        [23] => polish_POLISH.ISO8859-2
        [24] => pl.ISO8859-2
        [25] => polish.ISO8859-2polish-pl.ISO8859-2
        [26] => PL.ISO8859-2
        [27] => pl_PL.iso88592
        [28] => polish_POLISH.iso88592
        [29] => pl.iso88592
        [30] => polish.iso88592
        [31] => polish-pl.iso88592
        [32] => PL.iso88592
    )
    
    1. karta danych produktu

Urządzenia zmontowane na gotowo

Za to kochają nas hurtownie hydrauliczne, fachowi sprzedawcy pomp i instalatorzy:

Przy wszystkich pompach Zehnder otrzymujecie w dostawie wszystkie systemy i urządzenia w postaci gotowego pakietu wraz ze wszystkimi akcesoriami. Szybka i łatwa instalacja; Zehnder działa cicho i niezawodnie przez wiele lat. Kalkulacja dobra i terminy dostaw są dotrzymane, klient jest w pełni zadowolony i od razu jest wiernym fanem Zehnder. Czego więcej można chcieć?

Pompy domowe i ogrodowe

Piwnica zalana, staw ogrodowy zaszlamiony, zbiornik na wodę deszczową pełny?

Produkty Zehnder z zakresu dom i ogród takie jak: pompa zatapiana do wody brudnej, pompa głębinowa, pompy ogrodowe  lub urządzenie do wody deszczowej można znaleźć w sklepach specjalistycznych. Porozmawiaj z instalatorem, z hurtownią techniczną lub  dystrybutorami pomp lub skontaktuj się z działem sprzedaży w naszej fabryce pod numerem telefonu +49 (0) 3774 / 52-100.

Zamówienie katalogu

Nasze drukowane katalogi, cenniki i broszury można zamówić bezpłatnie tutaj. To ułatwi przegląd naszego, okazałego programu produkcji.

Proszę zapamiętać, że wszystkie rodzaje materiałów drukowanych są również dostępne w centrum pobierania.
eurologo
Powered by PIMBase - Concept & Design by Plan-Ad GmbH
Impressum, Oświadczenie o ochronie danych
© Zehnder Pumpen GmbH 2018

Na naszej stronie internetowej używamy plików cookie. Niektóre z nich są niezbędne dla funkcjonowania strony, inne pomagają nam w ulepszaniu tej strony i doświadczeń użytkownika (Tracking Cookies). Możesz sam zdecydować, czy chcesz zezwolić na pliki cookie. Należy pamiętać, że w przypadku odrzucenia, nie wszystkie funkcje strony mogą być dostępne.